
CAM LINK UNIT
The cam link unit connects cam to a link and attaches a bracket on it to make the bracket go up and down.
The enforced operation of going up and down eliminates the risk of malfunctioning since iy enforces to descend with a motor power.

- 구조 및 성능
- 사용용도
- 내부구조도
- 기술자료
- 형식표시방법
- 표준사양
- 응용방법
- Dimension
- 도면자료
- 사용용도
- Rolle 및 Chain Conveyer용 Diverter
- Stroke 60mm 이하의 단순 Up-Down Lifter
- 기타 응용 기기
- CU Series
- Geared Motor 선정방법
- 속도계산식
- 예) CU-10-60ST Model을 사용하여 속도는 2.7m/min으로 하고 Geared Motor는 감속비 1/60로 하고 Sprocket을 사용한다.
- [계산식]
- ① Geared Motor 감속비
- ② Motor 측 Sprocket 잇수 (Z)
- ③ Cam Link 측 Sprocket 잇수 (Z)
- ④ Stroke (mm를 m로 환산)
- ⑤ 1/2 회전에 Stroke가 진행하므로 ×2 를 한다.
- CU Series
- CU Series
- 응용방법
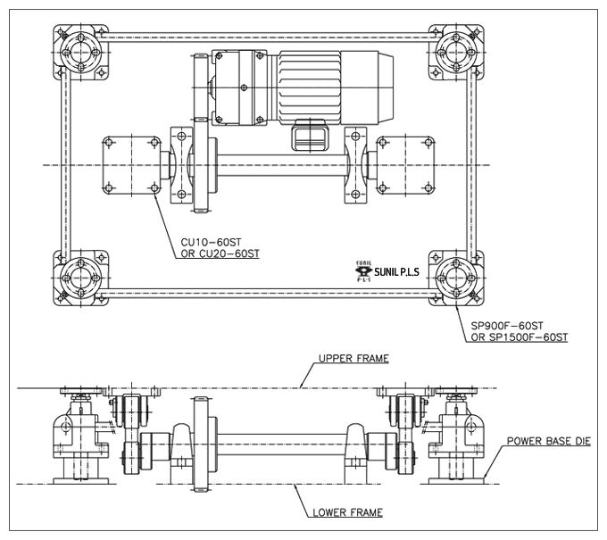
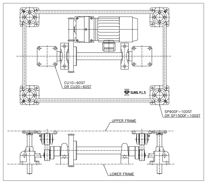
- ※ CAM LINK UNIT은 POWER BASE (SP Series)와 함께 사용한다.
- [CAM LINK UNIT 와 POWER BASE를 같은 Stroke로 사용할 경우]
- [POWER BASE의 초기 높이를 연장하여 사용할 경우]
- CU 10
- CU 20








