
AUTO STOPPER
Horizontal auto stopper is for transferring large heavy load.
A shock absorber is not embedded in the stopper itself, its strong structure is proper to a line of transgerring heavy load.

- 구조 및 성능
- 형식표시방법
- 표준사양
- Dimension
- 도면자료
- AS Series
- AS Series
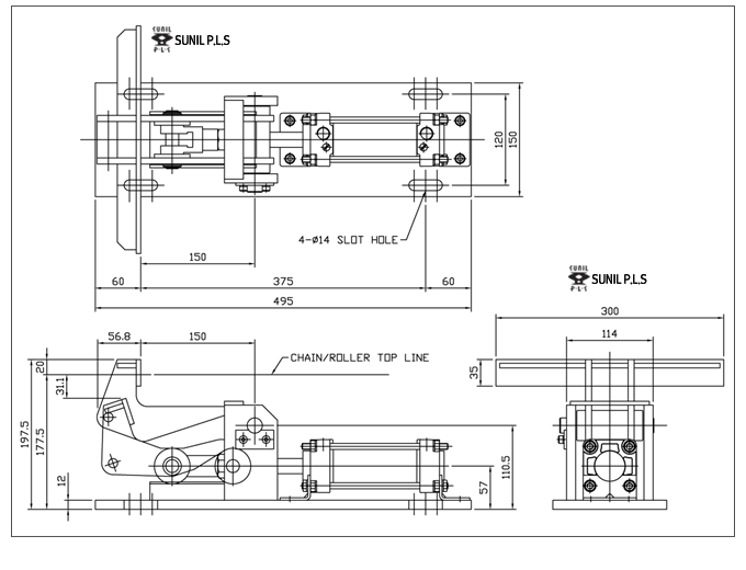
- AS-A Type
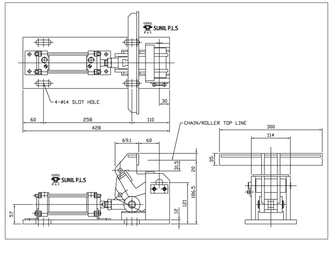
- AS-B Type
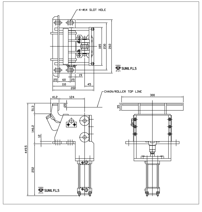
- AS-C Type




